Despite serving 10 times fewer city lines than buses, trams in Warsaw carried almost half the number of passengers buses did in October 2024 alone. Given these values, it’s not hard to understand how important a means of transportation the tram is and why the reliability of its overhead power systems is so crucial. In this article, we will investigate methods of protecting the tramway infrastructure from surges and the role of MV surge arresters in ensuring the reliability of public transportation.
Free consultationSpis treści:
- Why Is Tramway Infrastructure Vulnerable to Power Surges?
- Basic Types of Overvoltages Tram System Threats
- Effects of Power Surges On Tramway Traction Systems
- How Do MV (DC) Surge Arresters Protect Tramway Traction?
- Tram System – Operation of PROXAR Surge Arresters
- Choosing the Right Surge Arresters for Tramway Infrastructure – From Traction Substations to Streetcars
- Case Study: Application of Protektel Arresters in the Infrastructure of Trams in Warsaw
- Long-Term Benefits of Protecting Tramway Infrastructure
- Summary
Data from the ZTM Statistical Handbook speaks for itself. With the number of operated lines being ten times lower than that of buses (24 to 258), trams in the Polish capital transported as much as 28% of all passengers there in October. This means that in Warsaw alone, some 24 million people a month rely on tramways. At the same time, and not unlike the railroads, they are susceptible to a different kind of disruption in proper operation than wheeled transportation.
Tram infrastructure is a tightly-knit network. In the event of a major breakdown on a particular section, delays or even cancellations can affect several lines at once. In addition, it is not always possible to set up a detour, as in the case of road repairs or long-term traffic jams. However, all of these are effects, not causes of the problem.
Then what poses the biggest threat to the reliable operation of trams?
The answer is power surges, caused by lightning and switching (or open/close) discharges. Before we take a look at how to protect the system from them, let's discuss their types and specifics, which determine the choice of protection.

Why Is Tramway Infrastructure Vulnerable to Power Surges?
The design of the tramway lines, as well as the operating characteristics of power systems in general, make the occurrence of overvoltages in them simply inevitable. After all, lightning cannot be completely avoided, just as surges generated within the system cannot be completely eliminated. At the same time, isolating the overhead system and all its components to such a high level of voltage resistance would not be practical for economic reasons.
Instead, surge protectors are chosen based on the type of element that requires protection and the potential surges it will most often face. When it comes to these phenomena, two kinds can be distinguished: the external (e.g., lightning) and internal (generated by operational phenomena) overvoltages.
Basic Types of Overvoltages Tram System Threats
- External – atmospheric surges (direct)
The first type of overvoltages discussed are those resulting from direct lightning strikes on components of the tram lines. Otherwise known as direct lightning overvoltages, together with induced overvoltages they pose the greatest threat to the tramway network.
In just a few microseconds, they reach their peak value of up to 200 kA for the main discharge. Such a powerful surge continues to propagate in both directions along the power line, with amplitudes on the order of 100 kA (assuming symmetrical propagation of the discharge). Values of such surges can exceed 10 pu (1 pu = √2 × Um√3) and most often far exceed the line operating voltage.
- External – surges induced within power lines
In addition to direct strikes, close lightning discharges are also a threat to tramway traction. The resulting powerful electromagnetic fields induce overvoltages in the conductors, which also greatly exceed the insulation strength of the components and equipment of the power system.
- Internal – network frequency temporary overvoltage (TOV)
Among these types of surges, there are three categories, characterized by the cause of their occurrence. In this case, we are talking about surges that are:
- Variable – formed by a permanent ground fault (lasting from 0.1 s to several hours).
- Dynamic – resulting from the sudden disappearance of the load.
- Ferroresonant – caused by the interference with one phase of the system.
Temporary overvoltages usually do not exceed √3*pu. For this reason, they do not pose a direct danger to the insulation of equipment, but they are important for the selection of surge arresters in the design of the overhead line.
- Internal – switching (open/close) surges
The last type of power surge relevant in the context of tramway infrastructure is the result of switching operations, e.g., switching certain equipment on or off (closing or opening the circuit, hence the other name). Depending on the parameters of the circuit they happen to affect, switching surges may differ in their characteristics.
- They usually consist of strongly oscillating frequencies of several kHz and values of around 3*pu.
- For inductive circuits, their peak value can reach 4*pu and the rise time is from 0.1 to 10 ms.
- Cable and overhead lines are characterized by a steep wavefront, with a peak value of 2.2*pu, which does not pose a threat to the system.

Effects of Power Surges On Tramway Traction Systems
Power surges that affect inadequately protected tramway traction can result in numerous technical, operational, and financial problems. One of their most obvious consequences is the arrival and departure delays in tramway connections. In addition, with their repeated occurrence, there is also a gradual degradation of key infrastructure components, such as:
- Transformers.
- DC switchgear.
- Control systems.
In addition to jeopardizing reliable traction operation and passenger safety, this translates into more frequent breakdowns, forcing more money to be spent on maintenance of overhead line components. If one were to consider such operations in the context of large cities, their planning and implementation itself can raise yet other operational problems.
In Warsaw, Krakow, and Poznan, where trams carry as much as ¼ of all passengers, the efficient execution of maintenance work requires taking into account the resulting inconvenience to travelers. Minimizing the impact of the temporary line section closure involves, for example, changing the schedule or organizing substitute bus transportation (i.e., additional costs).
Not to mention the hidden expenditure incurred in fatigue of maintenance coordinators. Or, even worse, passenger frustration and, in extreme cases, even mass abandonment of trams by passengers…

How Do MV (DC) Surge Arresters Protect Tramway Traction?
The unpleasant vision imagined in the above excerpt can be avoided by using proven solutions to protect the tram infrastructure. In this case, the network is powered by medium-voltage direct current. This poses completely different challenges for designers than, for example, the task of protecting high-voltage lines. Methods that are effective there will not be effective enough for MV lines due to the considerable dispersion of the network and the small distances between lightning conductors and line conductors.
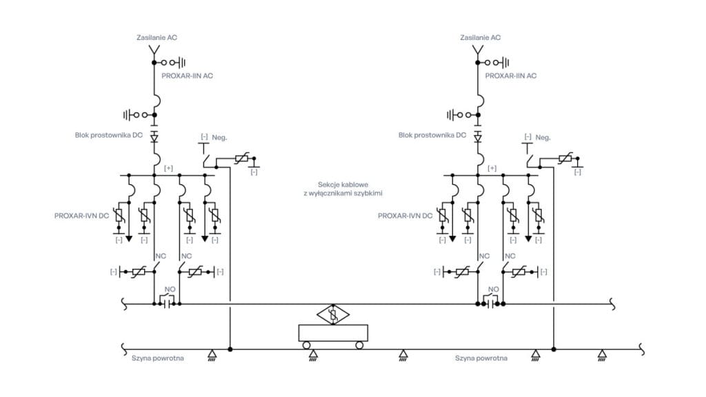
The answer to this problem is to use surge arresters mounted right next to the protected electrical equipment, instead of lightning protection or shielding lightning conductors. Today, the most common type of protection is non-directional surge arresters with varistors based on the ZnO (zinc oxides). Let's see how exactly this type of protection works on the example of Protektel's PROXAR IVN DC arresters.
Tram System – Operation of PROXAR Surge Arresters
The mode of operation of our PROXAR IVN DC arresters is a result of the nonlinear voltage-current characteristics of oxide (ZnO) varistors, which are the only active element in their design. At the operating voltage, a capacitive current of about 1 µA flows through the varistor in the inverted state. During a power surge, the varistor responds by momentarily switching to the conducting state and lowering its resistance to near zero, limiting further voltage increase. When the overvoltage is damped, the arrester returns to the forward state.
In comparison: older, spark-actuated valve lightning arresters (with SiC oxide varistors) and cone lightning arresters work on the principle of jumping an electric spark between two electrodes (known as a spark gap). This jump occurs above a certain breakdown voltage – under standard conditions the line voltage is not sufficient to produce a spark. This gap is determined when producing the arrester, depending on the required level of static voltage against which it is meant to provide protection.
Due to the size of the spark gap being determined at the production stage, arresters of this type are only able to suppress voltages above a certain level, usually much higher than the operating level. This makes the majority of switching or dynamic discharges not suppressed, since they are characterized by lower voltages.
In what other respects are PROXAR IVN DC surge arresters superior to traditional spark-type arresters?
- The absence of a spark gap and a sustained operating voltage that is 30% lower – provides protection against a much wider range of overvoltage phenomena (depending on the waveform, the level of protection is 28% to 42% lower).
- Much faster tripping time – from 5 to 25 ns, compared to about 300 ns for a spark gap.
- Lower current flowing under operating voltage and lower power losses – thanks to the structure of ZnO varistors, which is much less linear than for SiC solutions; this translates to improved arrester life (up to 20 years) and long-term trouble-free operation.
- No aftercurrent phenomenon – in the case of intrinsic solutions, it can lead to their thermal damage.
- The ability to smoothly adjust the diameter of varistors – provides greater energy absorption capacity, and allows the arresters to be used in tram systems of different voltages or frequencies (including DC systems).
- Stability of electrical parameters – even after suppression of multiple atmospheric, switching and casual surges.
Thanks to their versatility, non-directional surge arresters are able to successfully protect all key components of tramway infrastructure. Electric trams, traction substation components, any traction cable or control systems in the depot – from a pedestrian's level, they can even be spotted on traction poles and next to power cables.
But how do you deem a particular tram system component critical?

Choosing the Right Surge Arresters for Tramway Infrastructure – From Traction Substations to Streetcars
Modernization or construction of tramway lines should always be preceded by an analysis of the requirements along the route, including the predicted weather conditions in the region. Criteria for the selection of arresters are influenced by, among other things:
- Location, i.e., in which storm zone is the protected system located? Interestingly, there are two storm zones in Poland – the northern zone (20 storm days per year) and the southern zone (25 storm days per year). Based on this, it is possible to determine the estimated annual number of lightning strikes per 1 km2. For the former zone, the value is 1.8 strikes and for the latter 2.5 strikes.
- The approximate value of the lightning discharge energy when it directly hits the tram infrastructure (passing through two power points) and the value of the energy accepted by the arresters.
The next step is to specify which parts of the system require surge protection, thus identifying its aforementioned key components. At this stage, it is also determined how many surge arresters should be used, taking into account both the data collected during the analysis and economic factors (i.e., the project budget).
What should be subject to surge protection then?
| Tram system component | |
| Power line | Disconnectors in cable and overhead lines |
| Sectional disconnectors | |
| Sectional insulators | |
| Power cable for stations and sectional cabins | |
| Overhead line loops | |
| Rectifier stations | AC power side |
| DC switchgear cells (circuit breakers/power cables) | |
| Cable heads at the junction of the power line | |
| Network return line and its components | |
| Traction vehicles from the collector side | |
| Secondary circuit systems of control, management, protection, and signaling | |
Now that we know what needs to be protected, let's consider what are the criteria for the correct selection of surge arresters for tramway infrastructure. Here, we are considering factors like:
- Voltage rating – must be higher than the operating voltage.
- Energy dissipation capacity (energy class) – the maximum amount of energy that the arrester can absorb at one time.
- The level of protection – depending on the voltage of sustained operation and reduced voltage.
- Compliance with standards – e.g., PN-EN 50526-1 or IEC 61643-11, which is a guarantee of safety and quality.
In addition to the selection criteria, the extremely important concept of overhead line surge protection coordination must also be considered at the design stage. It consists of three main assumptions:
- Supply lines – in relation to insulated and laced structural components and return lines.
- Return lines – in relation to insulated structural components, as well as system grounding.
- Low-voltage circuits – which are part of power, control automation, protection or control systems.
The operating conditions of individual tram system components should be considered on a case-by-case basis.

Case Study: Application of Protektel Arresters in the Infrastructure of Trams in Warsaw
The theory discussed so far is one thing, but how do PROXAR arresters perform in practice? The management of Trams in Warsaw—which had to face the problem of inadequate surge protection after a thorough refurbishment of its rolling stock—found out just that.
Modernization of Warsaw's tramways revealed problems with power supply surge protection. Traditional solutions did not effectively protect the electronics of modern vehicles, leading to failures of safety systems such as switches and turnouts. In addition, damage to inverters and other equipment generated significant repair costs.
A key challenge was determining the parameters of overvoltages that arose from both lightning and daily operations. As part of the solution, a detailed network diagnostic was carried out using special measuring trams equipped with advanced apparatus. Thanks to the analysis of the data, suitable surge arresters were selected and the optimal locations for their installation were identified.
The result of the implementation was not only the elimination of surge problems, but also the acquisition of valuable diagnostic data. Warsaw Trams gained more than 1,000 modern arresters, as well as comprehensive protection of the traction power system.
This allowed:
- Further development of infrastructure.
- Reliability improvements of the entire network.
- Reduction in downtime.
- Protection of overhead tram system components.
For more information, make sure to check out our case study on the modernization of surge protection at Warsaw Tramways.

Long-Term Benefits of Protecting Tramway Infrastructure
Protecting tram infrastructure, including adequate surge protection, brings a number of long-term benefits. These translate into more efficient operation of public transportation as a whole and improved quality of life for city residents who use it.
- Improved reliability and safety of public transportation.
Surge protection systems effectively protect infrastructure components, such as lines or traction substations, from damage caused by sudden power surges. This prevents unplanned stoppages, improves the smoothness of streetcar traffic, and in certain cases reduces the risk of situations that endanger the health of passengers.
- Minimized infrastructure operation and maintenance costs.
Regular failures related to the lack of adequate protection can generate significant costs for repair and replacement of system components. Investing in surge protection technologies reduces the need for service interventions and extends the life of key infrastructure components.
- Positive impact on passengers.
Fewer breakdowns and associated delays improve streetcars' punctuality, which translates into higher passenger satisfaction. Reliability of public transportation attracts more users, which supports sustainable urban development and car traffic reduction.

Summary
From power substations, AC switchgear or rectifiers, to traction substations and tramway traction. Medium-voltage DC surge arresters are found at all stages of the streetcar infrastructure's power supply, overseeing its reliable operation. Without them, residents of many cities would not be able to function comfortably – instead, they would have to deal with huge delays.
So it's not hard to understand why the correct selection of overhead line surge protection solutions is so important when planning their construction or modernization.
If you are facing just such a challenge, we invite you to contact us. During the technical consultation, we will talk about the selection of MV (DC) surge arresters for your needs.









