Mimo że obsługują 10 razy mniej linii miejskich od autobusów, tylko w październiku 2024 r. tramwaje w Warszawie przewiozły zaledwie dwa razy mniej pasażerów. Biorąc pod uwagę te wartości, nietrudno zrozumieć, jak istotnym środkiem transportu jest tramwaj i dlaczego niezawodność sieci trakcyjnej jest tak kluczowa. W tym artykule przyjrzymy się metodom skutecznej ochrony infrastruktury tramwajowej przed przepięciami oraz roli ograniczników przepięć SN w zapewnieniu niezawodności transportu publicznego.
Bezpłatna konsultacjaSpis treści:
- Dlaczego infrastruktura tramwajowa jest narażona na przepięcia?
- Podstawowe rodzaje przepięć zagrażających sieci trakcyjnej
- Skutki przepięć w systemach trakcji tramwajowej
- Jak ograniczniki PROXAR chronią trakcję tramwajową?
- Tramwajowa sieć trakcyjna – Mechanizm działania ograniczników przepięciowych PROXAR
- Ochrona infrastruktury tramwajowej przed przepięciami – Od podstacji trakcyjnych do tramwajów
- Case study: zastosowanie ograniczników Protektel w sieci trakcyjnej Tramwajów Warszawskich
- Długoterminowe korzyści z ochrony infrastruktury tramwajowej
- Podsumowanie
Dane z Informatora Statystycznego ZTM mówią same za siebie. Przy dziesięciokrotnie niższej w porównaniu z autobusami liczbie obsługiwanych linii (24 do 258), stołeczne tramwaje przetransportowały w październiku aż 28% wszystkich pasażerów. To oznacza, że tylko w Warszawie na tramwajach polega ok. 24 mln osób miesięcznie. Jednocześnie, podobnie jak kolej, są one podatne na innego rodzaju zakłócenia w prawidłowym funkcjonowaniu, niż transport kołowy.
Infrastruktura tramwajowa to sieć naczyń połączonych. W razie poważniejszej awarii na danym odcinku, opóźnienia albo nawet odwołania przejazdów mogą dotknąć kilku linii na raz. Dodatkowo nie zawsze możliwe jest wytyczenie objazdu, jakby to miało miejsce w przypadku remontu drogi czy długotrwałego zatoru. Wszystko to jednak skutki, a nie przyczyny problemu.
Co więc stanowi największe zagrożenie dla niezawodnej eksploatacji tramwajów?
Są nim przepięcia spowodowane wyładowaniami atmosferycznymi i łączeniowymi. Zanim sprawdzimy, jak uchronić przed nimi sieć trakcyjną, omówmy ich rodzaje oraz specyfikę determinującą wybór zabezpieczeń.

Dlaczego infrastruktura tramwajowa jest narażona na przepięcia?
Budowa linii tramwajowej, a także charakterystyka pracy systemów elektroenergetycznych ogółem sprawiają, że występowanie przepięć jest w nich po prostu nieuniknione. Nie da się bowiem całkowicie uniknąć wyładowań atmosferycznych, podobnie zresztą nie do wyeliminowania są przepięcia powstające w obrębie systemu. Natomiast izolacja sieci trakcyjnej i wszystkich urządzeń jej towarzyszących do tak wysokiego poziomu wytrzymałości napięciowej najzwyczajniej w świecie nie byłaby praktyczna z przyczyn ekonomicznych.
Zamiast tego zabezpieczenia przeciwprzepięciowe dobiera się uwzględniając rodzaj chronionego elementu oraz potencjalnych przepięć, z jakimi będzie się on musiał najczęściej mierzyć. Bazowo wyodrębnić można dwa ich typy: wspomniane wyżej zewnętrzne (wyładowania atmosferyczne) i wewnętrzne, generowane przez zjawiska eksploatacyjne.
Podstawowe rodzaje przepięć zagrażających sieci trakcyjnej
- Zewnętrzne – przepięcia atmosferyczne (bezpośrednie)
Pierwszym omawianym rodzajem przepięć są te, które powstają na skutek uderzenia pioruna bezpośrednio w komponenty sieci trakcyjnej. Inaczej określane przepięciami piorunowymi bezpośrednimi wraz z przepięciami indukowanymi stanowią one największe zagrożenie dla sieci tramwajowej.
W zaledwie kilka mikrosekund osiągają swoją wartość szczytową, wynoszącą nawet 200 kA dla głównego wyładowania. Takie potężne przepięcie rozpływa się dalej w obu kierunkach po linii zasilającej, przy amplitudach rzędu 100 kA (zakładając symetryczne rozejście się wyładowania). Wartości takich przepięć mogą przekraczać 10 p.u. (1 p.u = √2 × Um√3) i najczęściej znacznie przewyższają napięcie robocze sieci.
- Zewnętrzne – przepięcia indukowane w liniach energetycznych
Oprócz uderzeń bezpośrednich, zagrożeniem dla trakcji tramwajowej są również bliskie piorunowe wyładowania doziemne. Powstające w ich wyniku silne pola elektromagnetyczne indukują w przewodach przepięcia, które również znacznie przewyższają wytrzymałość izolacji elementów i urządzeń systemu elektroenergetycznego.
- Wewnętrzne – przepięcia dorywcze o częstotliwości sieciowej
Wśród tego rodzaju przepięć wyodrębnić można trzy kategorie, charakteryzowane przez przyczynę ich występowania. W tym przypadku mówimy o przepięciach:
- zmiennowartościowych, powstających przez trwałe zwarcie doziemne (trwające od 0,1 s do kilku godz.);
- dynamicznych, będących skutkiem nagłego zaniku obciążenia;
- ferrorezonansowych, spowodowanych zakłóceniami jednej z faz systemu.
Przepięcia dorywcze zazwyczaj nie przekraczają wartości √3*p.u. Z tego powodu nie stanowią niebezpieczeństwa dla izolacji urządzeń, ale mają istotne znaczenie dla doboru ograniczników przepięć przy projektowaniu sieci trakcyjnej.
- Wewnętrzne – przepięcia łączeniowe
Ostatni z rodzajów przepięć istotnych w kontekście infrastruktury tramwajowej jest skutkiem operacji łączeniowych (np. załączanie lub rozłączanie niektórych urządzeń). Zależnie od parametrów obwodu, którego akurat dotkną, przepięcia łączeniowe mogą różnić się od siebie charakterystyką.
- Zazwyczaj składają się z silnie oscylacji o częstotliwości kilku kHz i wartościach na poziomie 3*p.u.
- Dla obwodów indukcyjnych ich wartość szczytowa może osiągać 4*p.u., a czas narastania wynosić od 0,1 do 10 ms.
- W przypadku linii kablowych i napowietrznych odznaczają się one dużą stromością czoła fali, a ich wartość szczytowa to 2,2*p.u., co nie jest zagrożeniem dla systemu.

Skutki przepięć w systemach trakcji tramwajowej
Przepięcia dotykające nieodpowiednio zabezpieczonej trakcji tramwajowej mogą skutkować licznymi problemami technicznymi, operacyjnymi i finansowymi. Jednym z najbardziej oczywistych skutków przepięć są wspomniane we wstępie opóźnienia połączeń tramwajowych. Dodatkowo przy ich powtarzającym się występowaniu dochodzi również do stopniowej degradacji kluczowych komponentów infrastruktury, takich jak:
- transformatory;
- rozdzielnice prądu stałego;
- systemy sterowania.
Oprócz zagrożenia dla niezawodnego funkcjonowania trakcji oraz bezpieczeństwa pasażerów, przekłada się to na częstsze awarie, wymuszając przeznaczanie większych nakładów finansowych na konserwację elementów sieci trakcyjnej. Jeśli osadzić takie działania w kontekście dużych miast, samo planowanie oraz realizacja mogą rodzić jeszcze inne problemy operacyjne.
W Warszawie, Krakowie czy Poznaniu, gdzie tramwaje przewożą nawet ¼ wszystkich pasażerów, sprawne przeprowadzenie prac serwisowych wymaga uwzględnienia powstałych w ich wyniku utrudnień dla podróżnych. Minimalizacja oddziaływania czasowego zamknięcia odcinka linii wiąże się np. ze zmianą rozkładu jazdy lub organizacją zastępczej komunikacji autobusowej (czyli dodatkowymi kosztami).
Nie wspominając o kosztach poniesionych w zmęczeniu koordynatorów działań konserwacyjnych. Albo, co gorsza, frustracji pasażerów, a w skrajnych przypadkach nawet masowym rezygnowaniu przez nich z tramwajów…

Jak ograniczniki PROXAR chronią trakcję tramwajową?
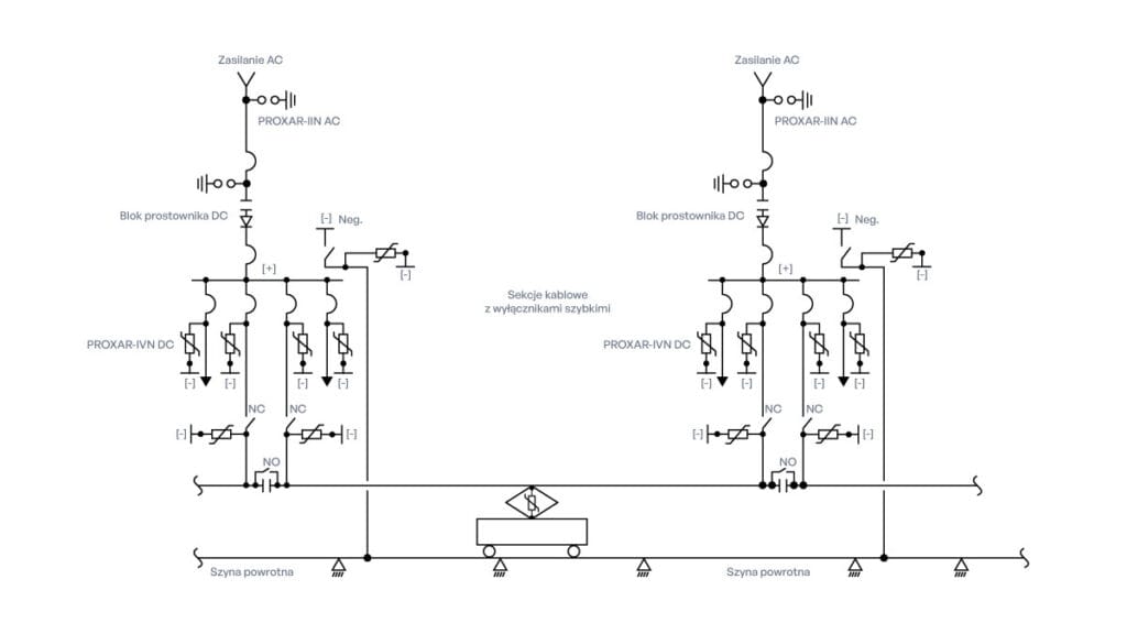
Tej nieprzyjemnej wizji roztoczonej w powyższym fragmencie da się jednak zaradzić stosując sprawdzone rozwiązania zabezpieczające infrastrukturę tramwajową. Sieć trakcyjna zasilana jest prądem stałym o średnim napięciu, co przed projektantami stawia zupełnie inne wyzwania, niż np. zabezpieczanie linii wysokiego napięcia. Metody skuteczne w tamtym przypadku nie są wystarczająco efektywne dla linii SN z uwagi na spore rozproszenie sieci i małe odległości między przewodami odgromowymi a liniowymi.
Odpowiedzią na ten problem jest wykorzystanie ograniczników przepięć montowanych tuż obok chronionych urządzeń elektrycznych, zamiast ochrony odgromowej lub ekranowania przewodów odgromowych. Współcześnie najpowszechniejszym rodzajem zabezpieczeń są beziskiernikowe ograniczniki przepięć z warystorami wykonanymi na bazie ZnO (tlenków cynku). Sprawdźmy, jak dokładniej działają tego typu zabezpieczenia na przykładzie ograniczników PROXAR IVN DC firmy Protektel.
Tramwajowa sieć trakcyjna – Mechanizm działania ograniczników przepięciowych PROXAR
Sposób działania naszych ograniczników PROXAR IVN DC wynika z nieliniowej charakterystyki napięciowo-prądowej warystorów tlenkowych (ZnO), czyli jedynego aktywnego elementu ich konstrukcji. Przy napięciu roboczym przez warystor znajdujący się w stanie zaporowym przepływa prąd pojemnościowy o wartości ok. 1 µA. Podczas przepięcia warystor reaguje natychmiastowym przejściem w stan przewodzenia i obniżeniem swojej rezystancji do bliskiej zeru, ograniczając dalszy wzrost napięcia. Gdy przepięcie zostanie stłumione, ogranicznik wraca do stanu zaporowego.
Dla porównania: starsze, iskiernikowe odgromniki zaworowe (z warystorami z tlenków SiC) i rożkowe działają na zasadzie przeskoku iskry elektrycznej między dwoma elektrodami (tzw. przerwą iskrową). Ów przeskok następuje powyżej określonego napięcia przebicia – w standardowych warunkach napięcie sieciowe nie jest wystarczające, aby wytworzyć iskrę. Przerwa ta określana jest fabrycznie, w zależności od wymaganego poziomu napięcia statycznego, przed którym ogranicznik ma zapewniać ochronę.
Z uwagi na ustaloną na etapie produkcji wielkość przerwy iskrowej, ograniczniki tego typu są w stanie tłumić tylko napięcia powyżej określonego poziomu, najczęściej dużo wyższego niż roboczy. Sprawia to, że w obu przypadkach większość przepięć łączeniowych czy dynamicznych nie jest tłumiona, ponieważ charakteryzują je niższe napięcia.
Pod jakimi innymi względami beziskiernikowe ograniczniki przeciwprzepięciowe PROXAR IVN DC przewyższają odgromniki iskiernikowe?
- Brak przerwy iskrowej oraz trwałe napięcie pracy niższe o 30% – zapewniają o ochronę przed znacznie szerszym zakresem zjawisk przepięciowych (w zależności od kształtu fali, poziom ochrony jest niższy od 28% do 42%).
- Znacznie szybszy czas zadziałania – od 5 do 25 ns, w porównaniu do ok. 300 ns dla iskiernika.
- Mniejszy prąd płynący pod napięciem pracy i niższe straty mocy – dzięki strukturze warystorów ZnO, która jest dużo mniej liniowa niż dla rozwiązań SiC; przekłada się to w szczególności na poprawę żywotności ogranicznika (do nawet 20 lat) i jego długookresową bezawaryjną eksploatację.
- Brak zjawiska prądu następczego – w przypadku rozwiązań iskiernikowych może ono doprowadzić do ich uszkodzenia termicznego.
- Możliwość płynnego dostosowania średnicy warystorów – zapewnia większą zdolność pochłaniania energii, a także pozwala na stosowanie ograniczników w sieci trakcyjnej o różnych napięciach czy częstotliwościach (również w systemach DC).
- Stabilność parametrów elektrycznych – również po stłumieniu wielokrotnych przepięć atmosferycznych, łączeniowych i dorywczych.
Dzięki swej wszechstronności beziskiernikowe ograniczniki przeciwprzepięciowe są w stanie z powodzeniem zabezpieczyć wszystkie kluczowe komponenty infrastruktury tramwajowej. Tramwaje elektryczne, elementy podstacji trakcyjnej, każdy przewód trakcyjny czy systemy sterowania w zajezdni – z poziomu przechodnia można je nawet dostrzec na słupach trakcyjnych i obok kabli zasilających.
Jak jednak stwierdzić, że dana część składowa sieci trakcyjnej jest kluczowa?

Ochrona infrastruktury tramwajowej przed przepięciami – Od podstacji trakcyjnych do tramwajów
Modernizacja lub budowa linii tramwajowej powinna zawsze zostać poprzedzona analizą wymagań na danej trasie, w tym występujących w regionie warunków atmosferycznych. Na kryteria doboru ograniczników wpływ mają m.in.:
- Lokalizacja, czyli w jakiej strefie burzowej znajduje się chroniony system? Co ciekawe w Polsce wyodrębnia się dwie strefy burzowe – północną (20 dni burzowych w roku) i południową (25 dni burzowych w roku). Na tej podstawie można określić szacunkową roczną liczbę uderzeń pioruna na 1 km2. W przypadku pierwszej ze stref wartość ta to 1,8 uderzenia, a w przypadku drugiej 2,5 uderzenia.
- Przybliżona wartość energii wyładowania piorunowego przy trafieniu bezpośrednio w sieć trakcyjną (przechodzącą przez dwa punkty zasilające) oraz wartość energii przyjętej przez ograniczniki.
Kolejnym krokiem jest ustalenie, które części systemu wymagają ochrony przepięciowej, a więc wskazanie jego wspomnianych wyżej kluczowych elementów. Na tym etapie określa się również, ile ograniczników przeciwprzepięciowych powinno zostać zastosowanych, z uwzględnieniem zarówno danych zebranych w trakcie analizy, jak i czynników ekonomicznych (budżet projektu).
Co w takim razie powinno podlegać ochronie przeciwprzepięciowej?
| Punkt sieci trakcyjnej | |
| Linia zasilania | Odłączniki w liniach kablowych i napowietrznych |
| Odłączniki sekcyjne | |
| Izolatory sekcyjne | |
| Kabel zasilający stacji i kabin sekcyjnych | |
| Pętle sieci trakcyjnej | |
| Stacje prostownikowe | Po stronie zasilania AC |
| W celkach rozdzielnic DC (wyłącznik/kabel zasilający) | |
| Przy głowicach kablowych na styku linii zasilającej | |
| Linia powrotna sieci i jej komponenty | |
| Pojazdy trakcyjne od strony zbieraka | |
| Układy obwodów wtórnych kontroli, sterowania, zabezpieczeń oraz sygnalizacji | |
Skoro wiemy już, co należy objąć ochroną, zastanówmy się, jakie są kryteria poprawnego doboru ograniczników przeciwprzepięciowych dla infrastruktury tramwajowej. Mówimy tutaj o czynnikach takich jak:
- napięcie znamionowe – musi być wyższe od napięcia roboczego;
- zdolność rozpraszania energii (klasa energetyczna) – maksymalna wartość energii, jaką może jednorazowo pochłonąć ogranicznik;
- poziom ochrony – zależny od napięcia trwałej pracy oraz napięcia obniżonego;
- zgodność z normami – np. PN-EN 50526-1 lub IEC 61643-11, stanowiącą gwarancję bezpieczeństwa i jakości.
Oprócz kryteriów doboru, na etapie projektowym należy uwzględnić także niezwykle istotną koncepcję koordynacji ochrony przeciwprzepięciowej sieci trakcyjnych. Składa się ona z trzech głównych założeń dotyczących zabezpieczenia:
- Linii zasilających – w stosunku do izolowanych i uszynionych elementów konstrukcyjnych oraz linii powrotnych.
- Linii powrotnych – w stosunku do izolowanych elementów konstrukcyjnych, a także uziemienia systemu.
- Obwodów niskonapięciowych – stanowiących część układów zasilania, automatyki sterowania, zabezpieczeń czy kontrolnych.
Warunki pracy poszczególnych komponentów sieci trakcyjnej powinny zostać rozpatrzone indywidualnie.

Case study: zastosowanie ograniczników Protektel w sieci trakcyjnej Tramwajów Warszawskich
Omówiona do tej pory teoria to jedno, ale jak ograniczniki PROXAR sprawdzają się w praktyce? Przekonał się o tym zarząd Tramwajów Warszawskich, któremu przyszło się zmierzyć z problemem niedostatecznej ochrony przeciwprzepięciowej po gruntownym odświeżeniu swojego taboru.
Modernizacja tramwajów w Warszawie ujawniła problemy z ochroną przepięciową sieci zasilającej. Tradycyjne rozwiązania nie chroniły skutecznie elektroniki nowoczesnych pojazdów, co prowadziło do awarii systemów bezpieczeństwa, takich jak zwrotnice czy rozjazdy. Dodatkowo uszkodzenia przetwornic i innych urządzeń generowały znaczące koszty napraw.
Kluczowym wyzwaniem było określenie parametrów przepięć, które powstawały zarówno w wyniku wyładowań atmosferycznych, jak i codziennej eksploatacji. W ramach rozwiązania przeprowadzono szczegółową diagnostykę sieci, wykorzystując tramwaje pomiarowe wyposażone w zaawansowaną aparaturę. Dzięki analizie danych dobrano odpowiednie ograniczniki przepięć i wskazano optymalne miejsca ich montażu.
Efektem wdrożenia było nie tylko wyeliminowanie problemów z przepięciami, ale także zdobycie cennych danych diagnostycznych. Tramwaje Warszawskie zyskały ponad 1000 nowoczesnych ograniczników, a także kompleksową ochronę systemu zasilania trakcji.
To umożliwiło:
- dalszy rozwój infrastruktury;
- poprawę niezawodności całej sieci;
- redukcję przestojów;
- ochronę komponentów sieci trakcyjnej.
Więcej informacji na ten temat znaleźć można w naszym case study nt. modernizacji ochrony przeciwprzepięciowej w Tramwajach Warszawskich.

Długoterminowe korzyści z ochrony infrastruktury tramwajowej
Ochrona infrastruktury tramwajowej, w tym odpowiednia ochrona przeciwprzepięciowa, niesie za sobą szereg długoterminowych korzyści. Przekładają się one na sprawniejsze funkcjonowanie komunikacji miejskiej w całości oraz poprawę jakości życia mieszkańców miast.
- Zwiększenie niezawodności i bezpieczeństwa komunikacji miejskiej
Systemy ochrony przeciwprzepięciowej skutecznie chronią elementy infrastruktury, takie jak linie czy podstacje trakcyjne, przed uszkodzeniami spowodowanymi nagłymi skokami napięcia. Zapobiega to nieplanowanym przestojom, poprawia płynność ruchu tramwajowego, a w szczególnych przypadkach redukuje ryzyko wystąpienia sytuacji zagrażających zdrowiu pasażerów.
- Minimalizacja kosztów eksploatacji i serwisowania infrastruktury
Regularne awarie związane z brakiem odpowiedniej ochrony mogą generować znaczne koszty napraw i wymiany elementów systemu. Inwestowanie w technologie ochrony przeciwprzepięciowej obniża potrzebę interwencji serwisowych i wydłuża żywotność kluczowych komponentów infrastruktury.
- Pozytywny wpływ na pasażerów
Mniejsza liczba awarii i związanych z nimi opóźnień poprawia punktualność tramwajów, co przekłada się na większą satysfakcję pasażerów. Niezawodność transportu publicznego przyciąga więcej użytkowników, co wspiera zrównoważony rozwój miast i redukcję ruchu samochodowego.

Podsumowanie
Od podstacji zasilania, przez rozdzielnice prądu przemiennego czy prostowniki, aż po podstacje trakcyjne i trakcję tramwajową. Ograniczniki przepięć średniego napięcia prądu stałego znajdują się na wszystkich etapach zasilania infrastruktury tramwajowej, czuwając nad jej niezawodnym działaniem. Bez nich mieszkańcy wielu miast nie byliby w stanie wygodnie funkcjonować – zamiast tego musieliby się mierzyć z ogromnymi opóźnieniami.
Nietrudno więc zrozumieć, dlaczego prawidłowy dobór rozwiązań ochrony przeciwprzepięciowej sieci trakcyjnych jest aż tak istotny przy planowaniu ich budowy lub modernizacji.
Jeśli stoisz właśnie przed takim wyzwaniem, zapraszamy do kontaktu. W trakcie konsultacji technicznej porozmawiamy na temat wyboru ograniczników przepięć SN (DC) do Twoich potrzeb.









